城镇污水处理厂运营碳源精准投加方法与流程

发布时间:2021-05-27

 目前,由于社会快速发展,城镇化建设力度加大,城镇污水处理厂运营进入高效运行期,随着各地的经济水平提高,环境压力增大,排放标准提高及环保执法力度加大,特别是TN、TP的排放要求,过高造成水体富营养化。污水处理厂面临的达标排放压力增大,同时面临企业增效,向节能降耗等方向发展,响应社会节能减排目标。城镇污水处理厂脱氮工艺主要设置缺氧池、反硝化滤池等,使得氨氮经过硝化后产生反硝化在上述工艺段发生反硝化产生N2达到脱氮目的。污水中自带的碳源一般可满足脱氮需求,但达到高排放标准要求,通常需要投加外碳源的方式,投加的外碳源一般为乙酸或乙酸钠,投加方式以恒量投加为主,根据处理效果人工进行调节,经常出现由于水质水量波动调节不及时TN超标,投加量过大等情况发生。

 
目前针对药剂投加控制研究,大多数基于硝态氮的反馈控制进行调节的,但是单一反馈控制受到水质水量影响较大,控制系统往往存在大延迟,滞后影响较大,造成系统调节效果不佳;随着自控过程控制系统的发展,加入前馈控制应对水量水质波动等问题,但是也存在水质波动情况下进水化学需要量(COD)、氨氮(NH3)仪表无法实时响应,仪表故障率较高,仪表的可靠性受到一定影响,造成控制系统存在偏差。
 
因此,在污水处理节能降耗与工艺达标推动下,如何精准控制碳源投加,以助污水处理厂高效稳定运行是需要解决的问题。
 
 
技术实现要素:
 
基于现有技术所存在的问题,本发明的目的是提供一种碳源精准投加系统与方法,能解决现有污水处理中,外加碳源控制精准度差,无法保证污水处理厂高效稳定运行的问题。
 
本发明的目的是通过以下技术方案实现的:
 
本发明实施方式提供一种碳源精准投加系统,包括:
 
进水在线流量计、控制装置、前馈硝态氮在线仪表、反馈硝态氮在线仪表、变频加药泵和加药流量计;其中,
 
所述进水在线流量计,设在污水处理前置脱氮系统或污水处理后置脱氮系统的进水管上,该进水在线流量计的反馈端与所述控制装置电气连接;
 
所述前馈硝态氮在线仪表,设在所述污水处理前置脱氮系统的缺氧池内或所述污水处理后置脱氮系统的反硝化滤池内前端,该前馈硝态氮在线仪表的回馈端与所述控制装置电气连接;
 
所述反馈硝态氮在线仪表,设在所述污水处理前置脱氮系统的好氧池内或所述污水处理后置脱氮系统的反硝化滤池内后端,该反馈硝态氮在线仪表的回馈端与所述控制装置电气连接;
 
所述变频加药泵和加药流量计,依次设在所述污水处理前置脱氮系统的缺氧池或所述污水处理后置脱氮系统的反硝化滤池的碳源投加管路上,该变频加药泵的变频控制端与所述控制装置电气连接,所述加药流量计的反馈端与所述控制装置电气连接;
 
所述控制装置,能根据所述进水在线流量计反馈的进水量信号和所述前馈硝态氮在线仪表回馈的硝态氮前馈信号,以及根据所述反馈硝态氮在线仪表回馈的硝态氮反馈信号,调节所述变频加药泵的频率并依据所述加药流量计的碳源投加反馈信号,来调整向所述污水处理系统的碳源投加量。
 
本发明实施方式还提供一种碳源精准投加方法,采用本发明所述的碳源精准投加系统,包括以下步骤:
 
确定该碳源精准投加系统用于污水处理前置脱氮系统,还是污水处理后置脱氮系统,若用于污水处理前置脱氮系统,则所述系统的控制装置按步骤1进行碳源投加控制;若用于污水处理后置脱氮系统,则所述系统的控制装置按步骤2进行碳源投加控制;
 
步骤1,用于污水处理前置脱氮系统的碳源投加控制包括:
 
(A)碳源主反馈控制:根据所述前馈硝态氮在线仪表的设定值与该前馈硝态氮在线仪表的实时测定值的偏差进行PID反馈控制加药流量计的流量q,通过流量q反馈控制加药泵频率达到要求的该前馈硝态氮在线仪表的设定值;其中,所述前馈硝态氮在线仪表的设定值的确定方式为:根据所述反馈硝态氮在线仪表的实时测定值,按如下拟合公式计算得出所述前馈硝态氮在线仪表的设定值:N1设=m×N2实+n;其中:N1设:为前馈硝态氮在线仪表的设定值;N2实:为反馈硝态氮在线仪表的实时测定值;m、n:为根据试验测试所得系数,一般m取值为-1~-0.25,n取值为2.5~10;
 
(B)碳源前馈补偿控制:在所述污水处理前置脱氮系统的进水流量Q超过预设幅度后,进行碳源前馈补偿,碳源前馈补偿量按以下公式确定:qq=q×(Q实/Q设-1);其中:qq:为碳源前馈补偿量;q:为实时主反馈投加碳源量;Q设:为设计进水流量;Q实:为实际进水流量;
 
(C)碳源反馈补偿控制:根据所述污水处理前置脱氮系统的出水TN排放标准,设定所述反馈硝态氮在线仪表的设定值,根据所述反馈硝态氮在线仪表的实时测定值,当所述反馈硝态氮在线仪表的实时测定值超过该反馈硝态氮在线仪表的设定值后进行碳源反馈补偿,碳源反馈补偿量按以下公式确定:qf=K0×Q实×(N2实-N2设);其中,qf:为碳源反馈补偿量;Q实:为实际进水流量;N2实:为反馈硝态氮在线仪表的实时测定值;N2设:为反馈硝态氮在线仪表的设定值;K0:为投加系数,取值为常数4;
 
步骤2,用于污水处理后置脱氮系统的碳源投加控制包括:
 
(D)前馈投加控制:按前馈投加模型公式确定前馈投加碳源量,所述前馈投加模型公式为:q=K0×Q进×(N1实-N1设);其中,q:为前馈投加碳源量;Q进:为实际进水流量;N1实:为前馈硝态氮在线仪表的实时测定值;N1设:为前馈硝态氮在线仪表的设定值;K0:为投加系数,取值为常数4;
 
(E)碳源反馈补偿控制:根据所述污水处理后置脱氮系统的出水TN排放标准,设定所述反馈硝态氮在线仪表的设定值,在所述反馈硝态氮在线仪表的实时测定值超过该反馈硝态氮在线仪表的设定值后进行碳源反馈补偿,碳源反馈补偿量按以下公式确定:qf=K0×Q实×(N2实-N2设);其中,qf:为碳源反馈补偿量;Q实:为实际进水流量;N2实:为反馈硝态氮在线仪表的实时测定值;N2设:为反馈硝态氮在线仪表的设定值;K0:为投加系数,取值为常数4。
 
由上述本发明提供的技术方案可以看出,本发明实施例提供的碳源精准投加系统及方法,其有益效果为:
 
通过设置有机连接的进水在线流量计、控制装置、前馈硝态氮在线仪表、反馈硝态氮在线仪表、变频加药泵和加药流量计,能实现基于脱氮系统的NO3为控制变量,通过前馈与反馈控制碳源投加,进而很好的解决了水量水质波动造成脱氮系统延迟调整的问题,以及大波动大延迟对系统的扰动和系统延迟对TN稳定达标的影响,该系统及方法能降低碳源投加药剂量,并可以大幅降低运营操作强度。
 
附图说明
 
为了更清楚地说明本发明实施例的技术方案,下面将对实施例描述中所需要使用的附图作简单地介绍,显而易见地,下面描述中的附图仅仅是本发明的一些实施例,对于本领域的普通技术人员来讲,在不付出创造性劳动的前提下,还可以根据这些附图获得其他附图。
 
图1为本发明实施例提供的用于污水处理前置脱氮系统的碳源精准投加系统的构成示意图;
 
图2为本发明实施例提供的用于污水处理后置脱氮系统的碳源精准投加系统的构成示意图;
 
图3为应用图1所示的碳源精准投加系统的碳源精准投加方法流程图;
 
图4为应用图2所示的碳源精准投加系统的碳源精准投加方法流程图;
 
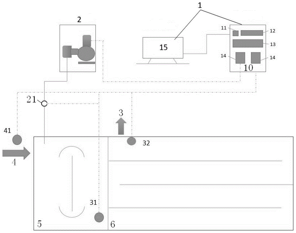
图1、2中的标记为:1-控制装置;10-自控柜;11-电气柜设备开关;12-接触器;13-接线端子;14-变频器;15-工控机;2-变频加药泵;21-加药流量计;3-出水管;31-前馈硝态氮在线仪表;32-反馈硝态氮在线仪表;4-进水管;41-进水在线流量计;5-缺氧池;6-好氧池;7-反硝化滤池。
 
具体实施方式
 
下面结合本发明的具体内容,对本发明实施例中的技术方案进行清楚、完整地描述,显然,所描述的实施例仅仅是本发明一部分实施例,而不是全部的实施例。基于本发明的实施例,本领域普通技术人员在没有做出创造性劳动前提下所获得的所有其他实施例,都属于本发明的保护范围。本发明实施例中未作详细描述的内容属于本领域专业技术人员公知的现有技术。
 
如图1或图2所示,本发明实施例提供一种碳源精准投加系统,适用于控制城镇污水处理厂脱氮系统碳源投加量,能够提高药剂投加控制水平,有效降低药耗成本,包括:
 
进水在线流量计、控制装置、前馈硝态氮在线仪表、反馈硝态氮在线仪表、变频加药泵和加药流量计;其中,
 
所述进水在线流量计,设在污水处理前置脱氮系统(如AAO系统)或污水处理后置脱氮系统(如反硝化滤池系统)的进水管上,该进水在线流量计的反馈端与所述控制装置电气连接;
 
所述前馈硝态氮在线仪表,设在所述污水处理前置脱氮系统的缺氧池内或所述污水处理后置脱氮系统的反硝化滤池内前端,该前馈硝态氮在线仪表的回馈端与所述控制装置电气连接;
 
所述反馈硝态氮在线仪表,设在所述污水处理前置脱氮系统的好氧池内或所述污水处理后置脱氮系统的反硝化滤池内末端,该反馈硝态氮在线仪表的回馈端与所述控制装置电气连接;
 
所述变频加药泵和加药流量计,依次设在所述污水处理前置脱氮系统的缺氧池或所述污水处理后置脱氮系统的反硝化滤池的碳源投加管路上,该变频加药泵的变频控制端与所述控制装置电气连接,所述加药流量计的反馈端与所述控制装置电气连接;
 
所述控制装置,能根据所述进水在线流量计反馈的进水量信号和所述前馈硝态氮在线仪表回馈的硝态氮前馈信号,以及根据所述反馈硝态氮在线仪表回馈的硝态氮反馈信号,调节所述变频加药泵的频率并依据所述加药流量计的碳源投加反馈信号,来调整向所述污水处理系统的碳源投加量。
 
上述系统中,控制装置由通信连接的工控机和自控柜组成;
 
所述自控柜分别与变频加药泵、进水在线流量计、第一硝态氮在线仪表和第二硝态氮在线仪表电气连接。
 
上述系统中,进水在线流量计采用电磁流量计。
 
上述系统中,控制装置,能根据所述进水在线流量计反馈的进水量信号和所述前馈硝态氮在线仪表回馈的硝态氮前馈信号,以及根据所述反馈硝态氮在线仪表回馈的硝态氮反馈信号,调节所述变频加药泵的频率来调整向所述污水处理系统的碳源投加量中,
 
若用于污水处理前置脱氮系统,则所述控制装置的控制方式包括(参见图3):
 
(A)碳源主反馈控制:根据所述前馈硝态氮在线仪表的设定值与该前馈硝态氮在线仪表的实时测定值的偏差进行PID反馈控制加药流量计的流量q,通过流量q反馈控制加药泵频率达到要求的所述前馈硝态氮在线仪表的设定值;其中,所述前馈硝态氮在线仪表的设定值的确定方式为:根据所述反馈硝态氮在线仪表的实时测定值,按如下拟合公式计算得出所述前馈硝态氮在线仪表的设定值:N1设=m×N2实+n;其中:N1设:为前馈硝态氮在线仪表的设定值;N2实:为反馈硝态氮在线仪表的实时测定值;m、n:为根据试验测试所得系数,一般m取值为-1~-0.25,n取值为2.5~10;
 
(B)碳源前馈补偿控制:在所述污水处理前置脱氮系统的进水流量Q超过预设幅度后,进行碳源前馈补偿,碳源前馈补偿量按以下公式确定:qq=q×(Q实/Q设-1);其中:qq:为碳源前馈补偿量;q:为实时主反馈投加碳源量;Q设:为设计进水流量;Q实:为实际进水流量;
 
(C)碳源反馈补偿控制:根据所述污水处理前置脱氮系统的出水TN排放标准,设定所述反馈硝态氮在线仪表的设定值,根据所述反馈硝态氮在线仪表的实时测定值,当所述反馈硝态氮在线仪表的实时测定值超过该反馈硝态氮在线仪表的设定值后进行碳源反馈补偿,碳源反馈补偿量按以下公式确定:qf=K0×Q实×(N2实-N2设);其中,qf:为碳源反馈补偿量;Q实:为实际进水流量;N2实:为反馈硝态氮在线仪表的实时测定值;N2设:为反馈硝态氮在线仪表的设定值;K0:为投加系数,一般取值为常数4,进一步该投加系数的取值可通过试验确定;
 
若用于污水处理后置脱氮系统,则所述控制装置的控制方式包括(参见图4):
 
(D)前馈投加控制:按前馈投加模型公式确定前馈投加碳源量,所述前馈投加模型公式为:q=K0×Q进×(N1实-N1设);其中,q:为前馈投加碳源量;Q进:为实际进水流量;N1实:为前馈硝态氮在线仪表的实时测定值;N1设:为前馈硝态氮在线仪表的设定值;K0:为投加系数,一般取值为常数4,进一步该投加系数的取值可通过试验确定;其中的N1设是根据出水TN排放标准设定具体的数值;如TN出水15,N1设可设为13.5,即N1设的数值略小于TN出水值即可;
 
(E)碳源反馈补偿控制:根据所述污水处理后置脱氮系统的出水TN排放标准,设定所述反馈硝态氮在线仪表的设定值,在所述反馈硝态氮在线仪表的实时测定值超过该反馈硝态氮在线仪表的设定值后进行碳源反馈补偿,碳源反馈补偿量按以下公式确定:qf=K0×Q实×(N2实-N2设);其中,qf:为碳源反馈补偿量;Q实:为实际进水流量;N2实:为反馈硝态氮在线仪表的实时测定值;N2设:为反馈硝态氮在线仪表的设定值;K0:为投加系数,一般取值为常数4;进一步该投加系数的取值可通过试验确定。
 
本发明实施例还提供一种碳源精准投加方法,采用上述的碳源精准投加系统,包括以下步骤:
 
确定该碳源精准投加系统用于污水处理前置脱氮系统,还是污水处理后置脱氮系统,若用于污水处理前置脱氮系统,则所述系统的控制装置按步骤1进行碳源投加控制;若用于污水处理后置脱氮系统,则所述系统的控制装置按步骤2进行碳源投加控制;
 
步骤1,用于污水处理前置脱氮系统的碳源投加控制包括:
 
(A)碳源主反馈控制:根据所述前馈硝态氮在线仪表的设定值与该前馈硝态氮在线仪表的实时测定值的偏差进行PID反馈控制加药流量计的流量q,通过流量q反馈控制加药泵频率达到要求的所述前馈硝态氮在线仪表的设定值;其中,所述前馈硝态氮在线仪表的设定值的确定方式为:根据所述反馈硝态氮在线仪表的实时测定值,按如下拟合公式计算得出所述前馈硝态氮在线仪表的设定值:N1设=m×N2实+n;其中:N1设:为前馈硝态氮在线仪表的设定值;N2实:为反馈硝态氮在线仪表的实时测定值;m、n:为根据试验测试所得系数,一般m取值为-1~-0.25,n取值为2.5~10;
 
(B)碳源前馈补偿控制:在所述污水处理前置脱氮系统的进水流量Q超过预设幅度后,进行碳源前馈补偿,碳源前馈补偿量按以下公式确定:qq=q×(Q实/Q设-1);其中:qq:为碳源前馈补偿量;q:为实时主反馈投加碳源量;Q设:为设计进水流量;Q实:为实际进水流量;
 
(C)碳源反馈补偿控制:根据所述污水处理前置脱氮系统的出水TN排放标准,设定所述反馈硝态氮在线仪表的设定值,根据所述反馈硝态氮在线仪表的实时测定值,当所述反馈硝态氮在线仪表的实时测定值超过该反馈硝态氮在线仪表的设定值后进行碳源反馈补偿,碳源反馈补偿量按以下公式确定:qf=K0×Q实×(N2实-N2设);其中,qf:为碳源反馈补偿量;Q实:为实际进水流量;N2实:为反馈硝态氮在线仪表的实时测定值;N2设:为反馈硝态氮在线仪表的设定值;K0:为投加系数,一般取值为常数4;
 
步骤2,用于污水处理后置脱氮系统的碳源投加控制包括:
 
(D)前馈投加控制:按前馈投加模型公式确定前馈投加碳源量,所述前馈投加模型公式为:q=K0×Q进×(N1实-N1设);其中,q:为前馈投加碳源量;Q进:为实际进水流量;N1实:为前馈硝态氮在线仪表的实时测定值;N1设:为前馈硝态氮在线仪表的设定值;K0:为投加系数,一般取值为常数4;
 
(E)碳源反馈补偿控制:根据所述污水处理后置脱氮系统的出水TN排放标准,设定所述反馈硝态氮在线仪表的设定值,在所述反馈硝态氮在线仪表的实时测定值超过该反馈硝态氮在线仪表的设定值后进行碳源反馈补偿,碳源反馈补偿量按以下公式确定:qf=K0×Q实×(N2实-N2设);其中,qf:为碳源反馈补偿量;Q实:为实际进水流量;N2实:为反馈硝态氮在线仪表的实时测定值;N2设:为反馈硝态氮在线仪表的设定值;K0:为投加系数,一般取值为常数4。
 
下面结合附图和实施例,对本发明做进一步详细说明。
 
本发明实施例提供一种污水处理过程中碳源投加的系统和方法,适用于控制城镇污水处理厂脱氮系统碳源投加量,能够提高药剂投加控制水平,有效降低药耗成本。具体是通过设置在线仪表与控制装置配合,以硝态氮作为控制变量,采用硝态氮前馈与反馈控制方式,调节变频加药泵频率实现不同碳源投加量。具体是:根据进水流量波动情况实施前馈补偿,针对出水TN超标进行反馈补偿;通过引入硝态氮的前馈与反馈控制,并通过前馈与反馈补偿,解决单一硝态氮反馈控制难以应对水质水量波动,实现碳源精准投加和稳定控制,同时工艺达标,实现污水处理系统高效稳定运行。
 
该系统及方法,用在污水处理脱氮工艺(如缺氧池、反硝化滤池等)中,能实现稳定碳源投加,根据反应池硝态氮浓度变化实时反馈调节加药泵频率,通过根据水量波动情况前馈调整碳源投加量,根据出水TN过高情况补偿碳源量,缺氧池、反硝化滤池作为前置脱氮与后置脱氮的反应区,对它们的控制方式分别进行说明,具体如下:
 
(一)用于前置脱氮系统中的控制方式为(参见图1、3):
 
(1)在缺氧池的末端安装在线硝态氮仪表1#NO3,该1#NO3即为前馈硝态氮在线仪表,进水管上安装电磁流量计Q作为进水流量计,好氧池末端安装在线硝态氮仪表2#NO3,该2#NO3即是反馈硝态氮在线仪表,向反应区投加碳源的碳源投加管路上设置变频加药泵和加药流量计q,变频加药泵采用带变频电机的加药泵,变频电机由变频器VF控制。
 
(2)碳源主反馈控制:根据1#NO3的实时测定值与该1#NO3的设定值的偏差进行PID反馈控制加药流量计的流量q(该流量q即为实时反馈投加碳源量),根据流量q反馈控制变频加药泵频率达到要求的1#NO3的设定值;
 
其中,1#NO3的设定值是依据好氧池末端出水的TN排放标准,根据2#NO3的实时测定值进行设定的,根据2#NO3的实时测定值按如下拟合公式计算得出:
 
N1设=m×N2实+n;
 
其中:N1设:为1#NO3的设定值;
 
N2实:为2#NO3的实时测定值
 
m、n:为根据试验测试所得系数,一般m取值为-1~-0.25,n取值为2.5~10;
 
由于1#NO3的设定值是根据2#NO3的实时测定值按好氧池末端出水的TN排放标准确定的,使得该1#NO3的设定值能根据2#NO3的实时测定值定时调整),运行时,根据好氧池末端出水的TN排放标准,先在一定区间范围选择2#NO3的数值,运行一个周期后,控制装置根据2#NO3的实时测定值按上述拟合公式计算得出1#NO3的设定值,后续运行过程中,1#NO3的设定值则根据2#NO3的实时测定值动态调整。
 
(3)碳源前馈补偿控制:运行过程中,若缺氧池的进水流量Q超过预设的幅度(预设的幅度可根据需要设定,如设为15%或其他比例),进行碳源前馈补偿,碳源前馈补偿量按以下公式确定:qq=q×(Q实/Q设-1);
 
其中:qq:为碳源前馈补偿量;
 
q;为实时反馈投加碳源量;
 
Q设:为设计进水流量;
 
Q实:为实际进水流量。
 
(4)碳源反馈补偿控制:根据好氧池末端出水的TN排放标准,设定2#NO3为一定数值作为其设定值,若2#NO3的实时测定值超过该2#NO3的设定值后进行碳源反馈补偿,碳源反馈补偿量为:qf=K0×Q实×(N2实-N2设);
 
其中,qf:为碳源反馈补偿量;
 
Q实:为实际进水流量;
 
N2实:为2#NO3的实时测定值;
 
N2设:为2#NO3的设定值;
 
K0:为投加系数,一般取常数4,也可根据试验测定。
 
(二)用于后置脱氮系统的控制方式为(参见图2、4):
 
(1)在反硝化滤池的前端安装在线硝态氮仪表1#NO3,该1#NO3即为前馈硝态氮在线仪表,进水管上安装电磁流量计Q作为进水流量计,反硝化滤池末端安装在线硝态氮仪表2#NO3,该2#NO3即为反馈硝态氮在线仪表,向反应区的反硝化滤池内投加碳源的碳源投加管路上设置变频加药泵和加药流量计q,变频加药泵采用带变频电机的加药泵,变频电机由变频器VF控制。
 
(2)前馈投加控制:依据反硝化滤池的出水排放标准,设定1#NO3的设定值,根据进水流量Q及1#NO3的设定值建立前馈投加模型,前馈投加模型公式为:q=K0×Q进×(N1实-N1设);
 
其中,q:为前馈投加碳源量;
 
Q进:为实际进水流量;
 
N1实:为1#NO3的实时测定值;
 
N1设:为1#NO3的设定值;
 
K0:为投加系数,一般取常数4,也可根据试验测定;
 
控制装置按前馈投加流量q调节变频加药泵的频率,实现所需碳源投加流量。
 
(3)碳源反馈补偿控制:根据反硝化滤池末端出水的TN排放标准,设定2#NO3为一定数值作为其设定值,若2#NO3的实时测定值超过该2#NO3的设定值后进行碳源反馈补偿,碳源反馈补偿量按下述公司确定:qf=K0×Q实×(N2实-N2设);
 
其中,qf:为碳源反馈补偿量;
 
Q实:为实际进水流量;
 
N2实:为2#NO3的实时测定值;
 
N2设:为2#NO3的设定值。
 
K0:为投加系数,根据试验测定,一般取4。
 
本发明至少具有以下优点:基于脱氮系统的NO3为控制变量,通过前馈与反馈控制碳源投加,广泛适用于城镇污水处理脱氮系统单元;
 
该控制方式以工艺计算为依据,对生化处理采用外碳源投加系统具有广泛应用;
 
以NO3前馈与反馈联合控制变频加药泵的碳源投加流量,辅以前馈流量补偿投加,解决水量水质波动造成系统的延迟调整问题;
 
好氧池硝态氮较为稳定,在好氧池末端安装硝态氮仪表精度较高,解决仪表安装缺氧池前端水量水质波动影响及测定误差,同时解决大波动大延迟对系统的扰动;
 
好氧池末端测定的硝态氮直接反映出水TN数值,反馈补偿实时性高,解决系统延迟对TN稳定达标的影响。
 
该系统在2万吨每天的主体工艺为AAO的工程中应用,降低碳源投加药剂量15%以上,并可以大幅降低运营操作强度。
 
实施例
 
本实施例提供一种碳源精准投加系统,该系统的碳源精准投加方法包括:
 
工艺运行情况,某城镇污水处理厂,规模2万吨每天,其主体工艺采用AAO工艺,要求出水达到地表4类排放标准,氨氮出水1mg/L,TN出水为10mg/L;生化池分为2个系列,每个系列为厌氧池、缺氧池和好氧池;
 
本实施例所用的碳源精准投加系统(参见图1),包括:控制装置1,由自控柜10和工控机15组成,该自控柜10内设电气柜设备开关11、接触器12、接线端子13等,控制加药泵的变频电机的变频器14及工控机15等也可设在该自控柜10内;在缺氧池末端安装前馈硝态氮在线仪表31、好氧池末端安装反馈硝态氮在线仪表32,进水管上安装作为进水流量计41的在线电磁流量计;加药间设有由变频电机驱动的变频加药泵2;
 
所述设备及仪表通过电源线、信号线与自控柜连接并通过PLC控制;工控机与自控柜通讯连接;
 
将上述设备、仪表安装完毕并建立通讯连接,将控制程序导入PLC模块;
 
碳源投加实时控制步骤(参见图3):
 
根据TN出水水质标准低于10mg/L以下,设定反馈硝态氮在线仪表32的设定值在不同区间5-9mg/L,根据反馈硝态氮在线仪表32设定不同区间及控制前馈硝态氮在线仪表31,调试值m、n分别为-0.5和6,得到在此控制区间下反馈硝态氮在线仪表32的数值为5mg/L、5.5mg/L、6mg/L、6.5mg/L、7mg/L、7.5mg/L、8mg/L、8.5mg/L、9mg/L,前馈硝态氮在线仪表31的调整值为3.5mg/L、3.25mg/L、3mg/L、2.75mg/L、2.5mg/L、2.25mg/L、2mg/L,1.75mg/L、1.5mg/L,控制装置根据调整值选择前馈硝态氮在线仪表31的设定值;根据前馈硝态氮在线仪表31设定值与其实时测定值的偏差PID反馈控制加药流量计的流量q,根据流量q反馈控制变频加药泵的频率使前馈硝态氮在线仪表31达到要求的设定值;
 
进水流量计41的进水水量(单序列)持续30min超过480m3/h或低于354m3/h时启动碳源前馈补偿,碳源前馈补偿量为qq=q×(Q实/417-1),按碳源前馈补偿量控制变频加药泵进行碳源投加;
 
设定反馈硝态氮在线仪表32的安全值为8.5mg/L,超过时启动碳源反馈补偿,碳源反馈补偿量为qf=4×Q实×(N2实-N2设),按碳源反馈补偿量控制变频加药泵进行碳源投加;
 
系统运行期间,反馈硝态氮在线仪表32基本上保持在8~9mg/L上下幅度,出水TN测试低于10mg/L,保证稳定达标。水量冲击波动后系统能快速响应进行碳源反馈补偿,主要仪表数值出现异常故障无法自动修复时,则系统切换至恒量药剂投加方式进行碳源投加,避免系统造成错误信号控制。经过5个月的运行,该投加系统比较稳定的对碳源投加进行控制,相比于同期节约碳源投加量16.2%,合理的控制硝态氮使总氮出水达标效果明显,可基本上稳定在排放标准内。
 

返 回
东莞市环洁化工有限公司版权所有
©Copyright 2021 
ICP备案:粤ICP备16126462号